关于
新闻
技术支持
联系我们
负载阀
插装阀
插装阀
管式方向阀
集成阀组
阀块(定制)
负载阀组
先导阀
新闻
插装阀
管式方向阀
集成阀组
阀块(订制)
负载阀
先导阀
板式阀
线圈
插装阀
电磁阀
两位两通
两位三通
两位四通
三位四通
三位五通
比例阀
比例压力阀
比例流量阀
比例换向阀
方向阀
直动式单向阀
液控单向阀
梭阀
液控换向阀
手动释放阀
液控逻辑阀
手动换向阀
流量阀
节流阀
单向节流阀
流量控制阀
分流集流阀
压力补偿流量调节阀
压力补偿阀
平衡阀
压力阀
溢流阀
减压阀
顺序阀
管式方向阀
单向阀
背压阀
单向节流阀
集成阀组
挖掘机先导系列
微挖
小挖
中挖
水平地下钻
叉车辅具
泵送
矿山设备
环卫
非标阀组
两位六通
两位八通
多联电磁多路阀
辅阀组
液控换向阀
截止阀
刹车释放阀
阀块(订制)
负载阀
平衡阀
防爆阀
液压锁
先导阀
推土铲控制阀
液控先导手柄
先导手柄A型KRPVH
先导手柄C型KHPVH系列
脚踏先导阀
双联脚踏
单联脚踏
单孔脚踏
电控手柄
板式阀
ED系列
EDC系列
06通径系列
10通径系列
线圈
', '#keywords');"/>
网站首页
>
技术支持
>
辅件
技术支持
参考资料
常见问题
质量保证书
辅件
资料下载
联系我们
辅件
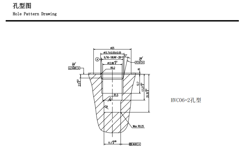
HVC06-2孔型
作者: 管理员
日期:2025年07月05日
HVC06-2孔型.png
联系我们