比例阀
-
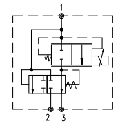
液压原理图型号描述插孔压力流量
-
比例流量阀
VC12-3
207Bar
57L/min
-
两位三通(滑阀、常开)
12-3
240Bar
60lpm
-
反比例溢流阀
T-8A
350Bar
1L/min









