压力阀

50个相关型号
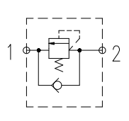
液压原理图
型号
描述
插孔
压力
流量
KACR-M18-7

溢流阀

VH002

350Bar

60L/min

KACR-M18-21

溢流阀

VH002

350Bar

60L/min

KACR-M18-32

直动式补油溢流阀

特殊孔-730

380bar

60lpm

KACR-M18-7
型号 KACR-M18-7
描述溢流阀
插孔VH002 压力350Bar 流量60L/min
KACR-M18-21
型号 KACR-M18-21
描述溢流阀
插孔VH002 压力350Bar 流量60L/min
KACR-M18-32
型号 KACR-M18-32
描述直动式补油溢流阀
插孔特殊孔-730 压力380bar 流量60lpm
50 个相关型号

插孔

压力

流量