展开全部
收起全部
-
技术特性
断电时,KSV10-25L 允许油液双向流动。 通电后,插件的阀芯移动,从而双向截止油液流动。
-
技术曲线

-
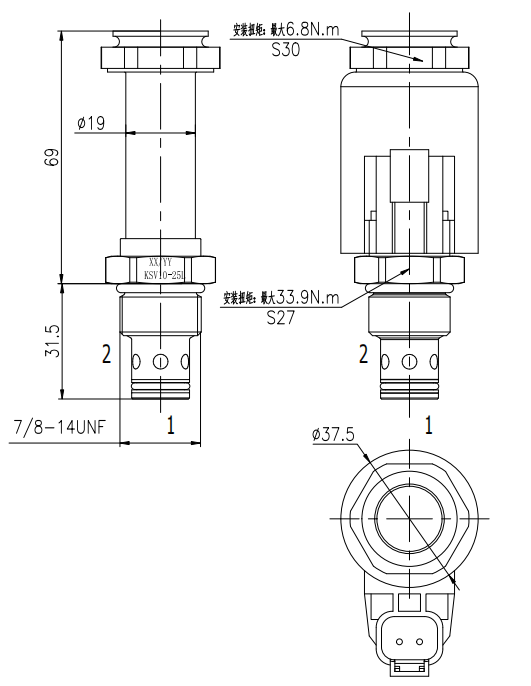
技术参数
流量请查看《压力-流量曲线图》插孔VC10-2过滤参考《油液清洁度》额定压力315Bar,2口耐压:350Bar,1口最大压力:250Bar,额定流量:22.7L/Min内泄漏<压力210Bar <82ml/min温度-40°F to +212°F(-40°C to +100°C)线圈额定负载Continuous from 85% to 115% of nominal voltage(连续工作电压),额定功率:20W油液Mineral-based fluids with viscosities of 7.4 to 420 cSt.(矿物油粘度)阀块材料6061-T6铝,允许使用最大压力207bar 钢和球铁允许使用最大压力350bar -
文件下载
-
相关辅件









