展开全部
收起全部
-
技术特性
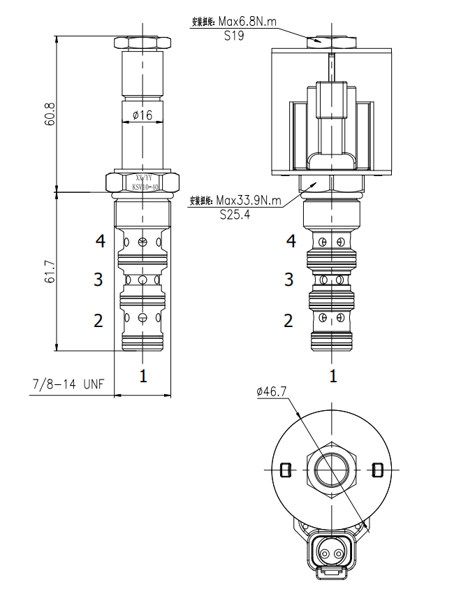
断电时,KSV10-40 允许油液从 ③ 流向 ②,以及从 ④ 流向 ① 。 通电后,阀芯移动,从而接通 ③ 流向 ④ 和 ② 流向 ①。
-
技术曲线

-
技术参数
额定流量:22.7L/min,1口不建议做进油口,插孔VC10-4过滤参考《油液清洁度》最大工作压力207Bar,耐压最大:350Bar,1口最大耐压:207Bar,内泄漏(per land)82cc/min.(毫升/分) max. at 207bar线圈电压额定电压±15%(连续工作电压),功率:20W,线圈内部防水等级IP65,可以在高温、高湿度环境正常工作温度-40°F to +250°F(-40°C to +120°C)油液Mineral-based fluids with viscosities of 7.4 to 420 cSt.(矿物油粘度)阀块材料钢和球铁允许使用最大压力350bar -
文件下载
-
相关辅件









