展开全部
收起全部
-
技术特性
-
技术曲线

-
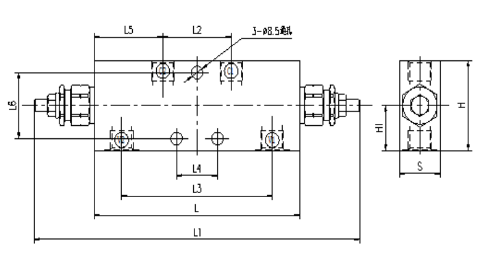
技术参数
应用材料/MATERIAL EMPLOYED
阀体/BODY:钢/STEEL
阀芯/VALVES:钢/STEEL
密封/SEALS:丁腈胶/NBR
温度/TEMPERATURES 理想工作温度:+40℃~+70℃ Ideal operating range between +40℃ and +70℃
最高工作温度:90℃/Max operating temperature90℃
最低/最高环境温度:-20℃~+60℃ Min/Max emvironment temps -20℃~and
最高工作温度:90℃/Max operating temperature90℃
-
文件下载
-
相关辅件









