展开全部
收起全部
-
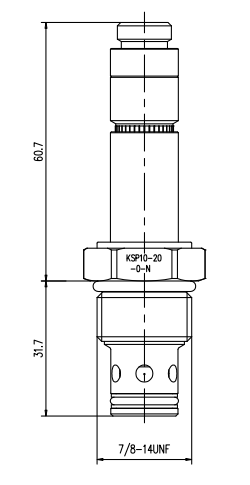
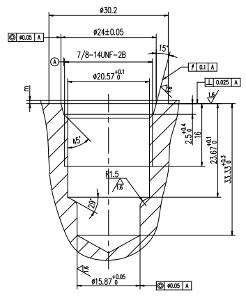
技术特性
-
技术曲线

-
技术参数
额定压力250bar流量60L/min,请查看《压力-流量曲线图》插孔VC10-2过滤参考《油液清洁度》内泄漏5 drops/min(滴/分). max. at 250bar温度-40°F to +250°F(-40°C to +120°C)油液Mineral-based fluids with viscosities of 7.4 to 420 cSt.(矿物油粘度) -
文件下载
-
相关辅件









