展开全部
收起全部
-
技术特性
-
技术曲线

-
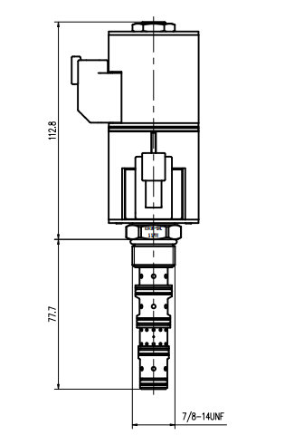
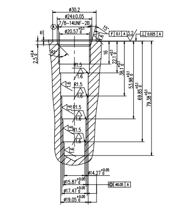
技术参数
额定压力250bar流量20.8L/min,请查看《压力-流量曲线图》插孔VC10-5过滤参考《油液清洁度》内泄漏246 ml/min max. at 207bar温度-40°F to +250°F(-40°C to +120°C)油液Mineral-based fluids with viscosities of 7.4 to 420 cSt.(矿物油粘度)阀块材料6061-T6铝,允许使用最大压力207bar,钢和球铁允许使用最大压力350bar安装扭矩27N.m -
文件下载
-
相关辅件









