展开全部
收起全部
-
技术特性
-
技术曲线

-
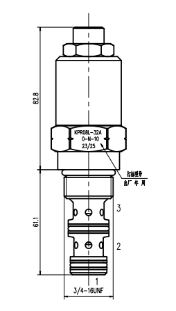
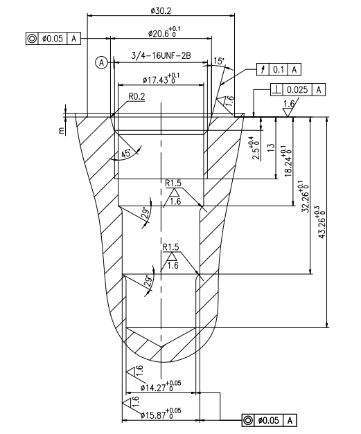
技术参数
额定压力250bar流量请查看《压力-流量曲线图》插孔VC08-3过滤参考《油液清洁度》出厂设定在进口压力160bar下,出厂设定50-52bar温度-40°F to +250°F(-40°C to +120°C)油液Mineral-based fluids with viscosities of 7.4 to 420 cSt.(矿物油粘度)安装扭矩最大40.6N.m -
文件下载
-
相关辅件









