展开全部
收起全部
-
技术特性
KEP12-30是弹簧截止阀,只有在①处到②处的开启压力大于③处的总压力和弹簧预压力之和时,滑阀才会移动,油液流向②口。当③口无压力时,①处的压力超过弹簧预压力,油液将从①流向②。
-
技术曲线

-
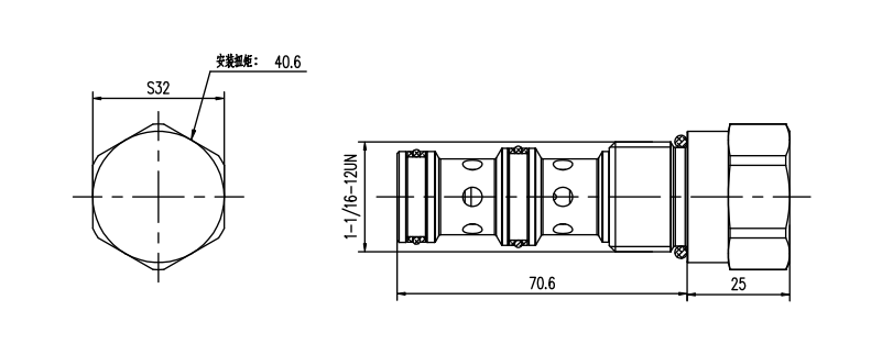
技术参数
额定压力240bar流量57L/min,请查看《压力-流量曲线图》插孔VC12-3过滤参考《油液清洁度》内泄漏400 ml/min max. at 210bar温度-40°C to +90°C油液Mineral-based fluids with viscosities of 7.4 to 420 cSt.(矿物油粘度)安装扭矩最大40.6N.m -
文件下载
-
相关辅件









